[Get 36+] Ultrasonic Cleaner Schematic Diagram
View Images Library Photos and Pictures. Lovable Yet Infuriating Embedded Com Hy 2778 Schematic Running Lights Circuit Diagram Ultrasonic Cleaner Circuit Free Diagram Diagram Steam Cleaner Wiring Diagram Full Version Hd Quality Wiring Diagram Pdfxkietho Scuoladipace It Electronics Ultrasonic Cleaner

. Ultrasonic Generator 500khz Physics Forums Ultrasonic Technology Taiwan Supercritical Technologies Co Ltd Ultrasonic Cleaner Control With Arduino Electrical Engineering Stack Exchange
Ultrasonic Cleaner Control With Arduino Electrical Engineering Stack Exchange
Ultrasonic Cleaner Control With Arduino Electrical Engineering Stack Exchange

Cleaning Silently With Sound Waves Ultrasonics
30l Digital Ultrasonic Cleaner Stainless Steel Ultra Sonic Bath Cleaning Tank With Timer And Heater For Jewelry Household Commodities Glasses Coins Metal Parts Cleaning Buy Online In Saudi Arabia At Desertcart Productid 49907680
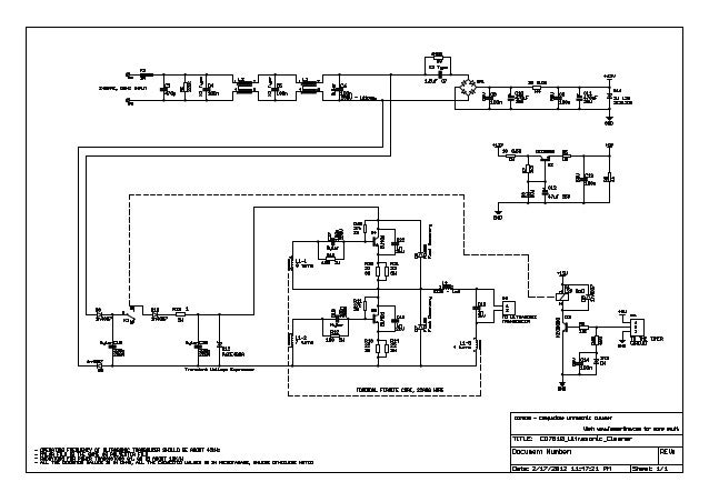
Baku Bk9050 Ultrasonic Cleaner Sch Service Manual Download Schematics Eeprom Repair Info For Electronics Experts
1000watt Ultrasonic Cleaner Generator Circuit Diagram 60khz Frequency Cleaning And Industrial Cleaning Ultrasonic Cleaner Parts Aliexpress
2000w High Power Ultrasonic Circuit Board Generator For Cleaning Machine 20khz 25khz 28khz 30khz 33khz 40khz Ultrasonic Cleaner Parts Aliexpress
Parts Cleaning And Ultrasonic Cleaning Equipment Ctg
Schematic Of The Original Bat Chaser Ultrasonic Generator Built Around Download Scientific Diagram
Ultrasonic Welding Generator Circuit Diagram Ultrasonic Welding Circuit Diagram Ultrasonic
How To Make Ultrasonic Cleaner Basic Cleaner For Cheap Youtube
Ultrasonic Cleaner An Overview Sciencedirect Topics
Diagram Steam Cleaner Wiring Diagram Full Version Hd Quality Wiring Diagram Pischematic2b Angelux It
30l Table Top Industrial Ultrasonic Cleaner Circuit Diagram With Heater From China Manufacturer Piezo Hannas
Project Playing With Power Ultrasonics Hackaday Io
Index 18 Analog Circuit Basic Circuit Circuit Diagram Seekic Com
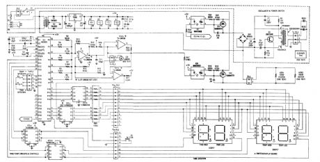
Schematic Diagram Of Pc Based Ultrasonic Cleaner Download Scientific Diagram
Schematic Of Ultrafiltration Setup Assisted With Ultrasonic Cleaner System Download Scientific Diagram
Schematic Of A Typical Ultrasonic Cleaner Engineering Technical Pcbway
Shop Made Ultrasonic Cleaner Nawcc Forums
Ultrasonic Generator Schematic News
Circuit Feedback With Mutual Inductance On A Toroid Electrical Engineering Stack Exchange
Ultrasound Generator Schematic Ultrasonic Generator Schematics Www Uceultrasonic Com Youtube
Teardown Reverse Engineering An Ultrasonic Cleaner Edn
Ultrasonic Cleaning Ultrasonic Cleaner Circuit Diagram Code World
Schematic Representation Of The Bath Equipped For The Ultrasonic Download Scientific Diagram
Komentar
Posting Komentar